BAZA WIEDZY

Technologia kotłowni

Technologia kotłowni to część instalacji, łącząca źródło ciepła lub chłodu z instalacją ogrzewczą / chłodzącą. 

Ogólnie, instalację ogrzewania / chłodzenia np. budynku jednorodzinnego możemy podzielić na trzy podstawowe składowe :

1 – źródło ciepła i chłodu, 

2 – technologię kotłowni, 

3 – instalację ogrzewania / chłodzenia. 

Źródło ciepła w realizowanych przez nas instalacjach to głównie pompy ciepła. Okazjonalnie (ale bez entuzjazmu 😉 ) wykonujemy instalacje kotłów gazowych oraz kominków z płaszczem wodnym.  

Instalację ogrzewania / chłodzenia stanowi rozwiązanie techniczne służące do zaspokojenia potrzeb bytowych ludzi na ogrzewanie / chłodzenie. Zaczyna się w kotłowni , w punkcie przekazania ciepła / chłodu ze źródła ciepła / chłodu za pośrednictwem „technologii kotłowni” lub bez niej (o czym niżej), a kończy instalacją oddawczą – płaszczyznową lub grzejnikową, kompilacją obu tych instalacji, rekuperacji i/lub klima-konwektorów. Te same instalacje ogrzewcze mogą służyć w całości lub częściowo w funkcji chłodzenia budynku – z zastrzeżeniem, że instalacja grzejnikowa nie jest rekomendowana do pracy w funkcji chłodzenia. 

W przypadku tanich i prostych rozwiązań, dla niewymagających klientów lub w niewielkich / małych instalacjach mieszkań / prostych domków jednorodzinnych zakres prac nazywany „technologią kotłowni” można pominąć. W takim przypadku pompa ciepła podłączona jest dwiema rurami zasilania / powrotu do dwóch rur instalacji ogrzewczej / chłodzącej i już. System działa na zasadzie 0:1 ( włącz / wyłącz).

Natomiast w przypadku budownictwa jednorodzinnego, gdzie mamy do czynienia z budynkami mieszkalnymi o powierzchni ogrzewane / chłodzonej od stu-kilkudziesięciu do kilkuset metrów kwadratowych, zasadnym jest wykonanie rozwiązania technicznego nazwanego „technologia kotłowni”. Dzięki niemu mamy możliwość odpowiedniego doboru pomp obiegowych, zdefiniowania różnych temperatur wody kotłowej dla odmiennych instalacji odbiorczych – czy to ze względu na rodzaj (grzejniki płytowe / ogrzewanie podłogowe) czy też ze względu na wymagania danej strefy grzewczej ( pomieszczenia o wymaganej co do zasady wyższej temperaturze pokojowej od tych z niższą). 

Przykładowo ad. 1 – mając dwa obiegi grzewcze w postaci ogrzewania grzejnikowego i podłogowego, możemy zastosować dwie grupy pompowe, z których pierwsza (dla grzejników) będzie sterowana wyższą temperaturą wody kotłowej a druga (dla podłogówki) niższą. Pierwsza będzie obiegiem bezpośrednim (tylko pompa obiegowa) a druga z podmieszaniem ( z zastosowanie zaworu trzy drogowego mieszającego z siłownikiem). Obie grupy pompowe będą sterowane z automatyki pompy ciepła, a do każdej z nich będzie przypisana inna krzywa grzania. W przypadku korzystania z funkcji chłodzenia – dla pierwszego obiegu (grzejników) funkcja chłodzenia będzie wyłączona, a dla funkcji ogrzewania podłogowego będzie włączona. Cały proces regulacji będzie odbywał się automatycznie, bez udziału / codziennego zaangażowania użytkownika i zmieniał swoje działanie (lato / zima) względem temperatury powietrza zewnętrznego i wody kotłowej, aby efektem końcowym był komfort mieszkania. Włączamy, ustawiamy, regulujemy w pierwszym / drugim sezonie grzewczem dla indywidualnych potrzeb a latach następnych „działa już samo”. 

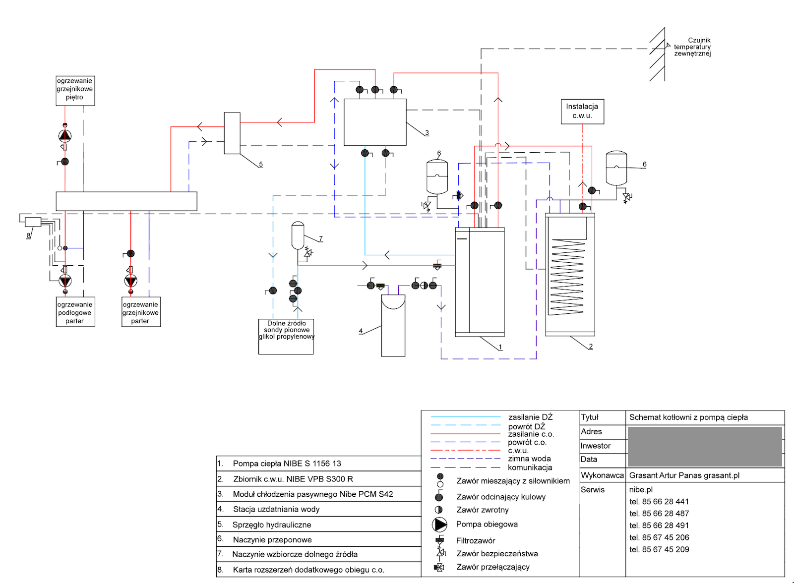
Przykład ad. 2 –  ze względu na podział funkcji można zrealizować technologię kotłowni w sposób, jaki mam wykonany u mnie w domu. Jest to budynek wolnostojący, jednorodzinny o dwóch kondygnacjach mieszkalnych. Technologia kotłowni została wykonana następująco : 

1 – mały zbiornik buforowy wody kotłowej,

2 – rozdzielacz obiegów grzewczych / chłodzących,

3 – dwie grupy pompowe z zaworami mieszającymi.

Zbiornik buforowy wody kotłowej pełni kilka funkcji – zwiększenie pojemności zładu, rozsprzęglenie obiegów grzewczych, jest Pierwszym obiegiem grzewczo / chłodzącym. Natomiast grupy pompowe zamontowane na rozdzielaczu głównym, przypisane są do każdej z dwóch kondygnacji. Obie wyposażone są w zawory mieszające. Dzięki takiemu układowi mam możliwość różnej konfiguracji / sterowania poszczególnymi funkcjami ogrzewania / chłodzenia parteru i piętra naszego domu. Dla obiegu Pierwszego (bufor) przypisana jest krzywa grzania i chłodzenia „X” – to jest najważniejsza krzywa. Co do zasady piętro potrzebuje więcej ciepła zimą i chłodu latem. Dzięki temu mogę dla piętra ustawić wyższe parametry pracy adekwatne dla danego sezonu, a dla parteru niższe. Natomiast gdy piętro nie jest / nie będzie codziennie używane (dzieci się wyprowadzą, okazjonalnie będą przebywali tam nasi goście) to na ten czas można zmienić nastawy w taki sposób, aby zimą utrzymywać tam niższą temperaturę niż na parterze. Oponenci powiedzą, że można zamontować czujniki temperatury pokojowej i uzyskać podobny efekt. Oczywiście, że można, ale ja uważam, że w pierwszym etapie powinno się sterować pracą źródła ciepła (chłodu) a nie odbiornikiem. Per analogia. Jadąc samochodem aby zmniejszyć prędkość nie powinno się wciskać pedału hamulca nie zmieniając położenia pedału gazu, tylko odpuścić gaz. Tym samym – korzystając z pracy pompy ciepła nie powinno ustawiać się wysokiej krzywej grzania po to, aby na odbiorniku i za pośrednictwem termostatu pokojowego ustawiać niższą temperaturę, niż wynika to z nastawy krzywej grzania … Taka praca jest nieekonomiczna i pobawiona logiki, dodatkowo / długofalowo wpływa na szybsze zużycie sprężarki. 

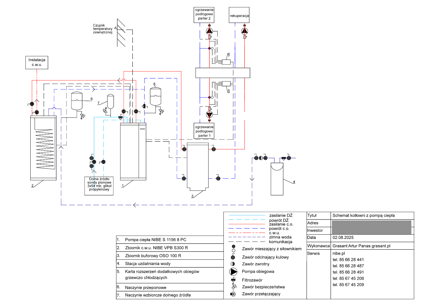
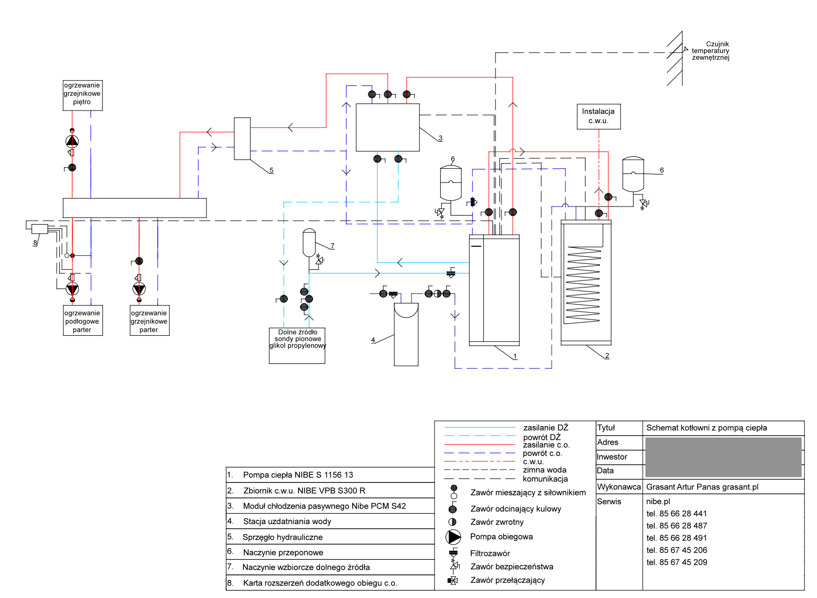
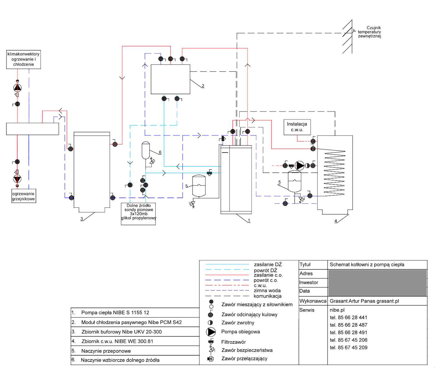
Kilka przykładów różnych rozwiązań technologii kotłowni z naszej praktyki – tych większych i mniejszych instalacji.